連接件模型
Connector Model
Connector Model
聯系APAS / Contact us
- 地址:天津市西青經濟技術開發區賽達國際工業城A3-2.
- 郵箱:lxc@apas.com.cn
- 電話:022-87920088
- 傳真:請聯系網絡管理員
- 郵編:300385
- 咨詢熱線:13702119190(24小時服務熱線)
連接件模型
/ Connector Model

40系列鋁型材斜角連接件三維模型
產品描述 / Name
斜角連接件又稱為錨式連接件,適用于內部連接需求的鋁型材框架斜角結構緊固連接,設計師可以下載斜角連接件SolidWorks三維模型進行鋁型材框架設計搭建;
022-87920099
可以根據需求進行設計加工,提供上門安裝服務;可以根據特殊需求進行鋁型材開模定制。
* 免費提供工業鋁型材選型手冊 →點擊咨詢
內容來源:http://www.adya.cn 作者:武將 發布日期:2019年09月24日 10時03分 閱讀次數:2223 次
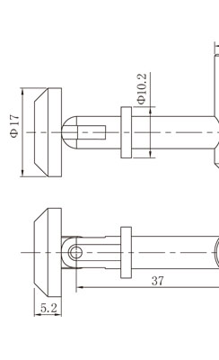
| 斜角連接件是一款隱藏于鋁型材內部的緊固連接配件,主要應用于特殊連接需求的工業框架斜角結構緊固連接;斜角連接件對鋁型材加工精度要求較為嚴格,誤差范圍需要控制在±0.5mm; |
| ? |
![]() ![]()
|
| ? |
| 斜角連接件又稱之為錨式連接件,分為兩部分,連接時需要將一端插入型材槽內,然后將另一端置入另一只鋁型材預先加工好的工藝孔內,最后將兩個配件相連接并利用頂絲鎖緊即可; |
| ? |
|
鋁型材槽型
|
材質
|
訂貨編號
|
|
槽8
|
碳鋼(鍍鋅或鍍鎳)
|
CE-QC8-40
|
聯系APAS/ Contact us
天津艾普斯工業鋁型材股份有限公司
聯系電話:022-87920088
企業傳真:(避免惡意廣告)請聯系該企業網絡管理員
服務熱線:13702119190 (24小時服務熱線)
Q Q:534973906
企業郵箱: lxc@apas.com.cn
企業地址:天津市西青經濟技術開發區賽達國際工業城A3-2
聯系電話:022-87920088
企業傳真:(避免惡意廣告)請聯系該企業網絡管理員
服務熱線:13702119190 (24小時服務熱線)
Q Q:534973906
企業郵箱: lxc@apas.com.cn
企業地址:天津市西青經濟技術開發區賽達國際工業城A3-2
采購意向留言:* 為必填















QQ咨詢
電話聯系
聯系電話

在線留言
樣冊下載
